Сегодня
История России
Главное
Средневековая Русь
Военные конфликты и кампании
Полки России
Календарь побед Русской армии
Внешнеполитическая история России
Приказы Российского государства
Хроники Отечественной войны 1812 года
Заграничные походы русской армии 1813-14 гг.
Ленты времени
Границы России
Территориальная история России
Регионы Российской Империи
Философский Хронограф
История государственной охраны
Вторая Мировая война
Правители России
Детская иллюстрированная книга
Всемирная история
Главное
Большая Игра
Страны и правители
Монеты мира
Восточная Пруссия. История и путь в Россию.
Катынь
Королевство Венгрия
Ост-Индская компания
Пакт Молотова - Риббентропа
Политическая история исламского мира
Полки Англии, Испании, Франции, Швеции, Австрии, Баварии, Саксонии, Пруссии
Страны Восточной Европы во Второй мировой войне (1939 – 1945 гг.)
Библиотека
Новое в библиотеке
Алфавитный каталог
Авторы
Атласы
Библиографические справочники
Военная история
Всеобщая история
Детская иллюстрированная книга
Журнальный зал
Отечественная история
Полковые истории
Путешествия и описания земель
Русская философия
Собрания документов
Энциклопедии и словари
Книги Руниверс
Лекционный зал
Статьи
Главное
Большая игра
Законы Русского Государства
История в лицах
Календарь
Картография
Наши рекомендации
Сегодня и вчера
События
Дата-сеты
Главное
Страны и правители
Галерея
Новое в галерее
Авторы
Тематические подборки
Гравюра, типографский оттиск
Документы
Инфографика
Историческая иллюстрация
Оригинальная иллюстрация
Портреты
Произведение архитектуры, монументального искусства
Произведение искусства
Произведение прикладного искусства
Прочее
Русская историческая живопись
Русская фотография
Фотография
Картография
Новое в картах
Атласы
Военные карты
Географические карты
Интерактивные атласы
Исторические карты
Карты Руниверс
Планы городов
Политико-административные карты
Прочие карты
Специальные карты
Наши издания
Наши издания
Наглядная хронология
Illustrated Timeline
Боевые действия русских войск
Военные конфликты, кампании и боевые действия русских войск, 860–1914 гг.
Большая игра
Исторический вестник
Философия
Государство
Назад к разделу
Катынь
Сводная хронология
1. Советско-польские отношения накануне войны
Галерея
Государственные документы
Карты и схемы
Персоналии
Публикации в СМИ (журналы, газеты)
Служебные документы и письма
2. Вступление советских войск в Западную Белоруссию и Украину
Галерея
Государственные документы
Карты и схемы
Ключевые материалы
Речи, высказывания
Служебные документы и письма
3. Польские военнопленные в СССР
Государственные документы
Карты и схемы
Ключевые материалы
Служебные документы и письма
4. Катынский расстрел
Галерея
Документы личного происхождения
Карты и схемы
Ключевые материалы
Публикации в СМИ (журналы, газеты)
Служебные документы и письма
5. Немецкое расследование
Галерея
Государственные документы
Ключевые материалы
Персоналии
Публикации в СМИ (журналы, газеты)
Речи, высказывания
Служебные документы и письма
6. Советское расследование
Государственные документы
Документы личного происхождения
Ключевые материалы
Служебные документы и письма
7. Дискуссии в послевоенный период
Государственные документы
Исследования и аналитика
Публикации в СМИ (журналы, газеты)
Служебные документы и письма
8. Официальная позиция России по катынскому делу
Ключевые материалы
Публикации в СМИ (журналы, газеты)
Речи, высказывания
Служебные документы и письма
Государственные документы
Ключевые материалы
Персоналии
Публикации в СМИ (журналы, газеты)
Литература, искусство
Речи, высказывания
Государственные документы
Служебные документы и письма
Всемирная история
Катынь
4. Катынский расстрел
Служебные документы и письма
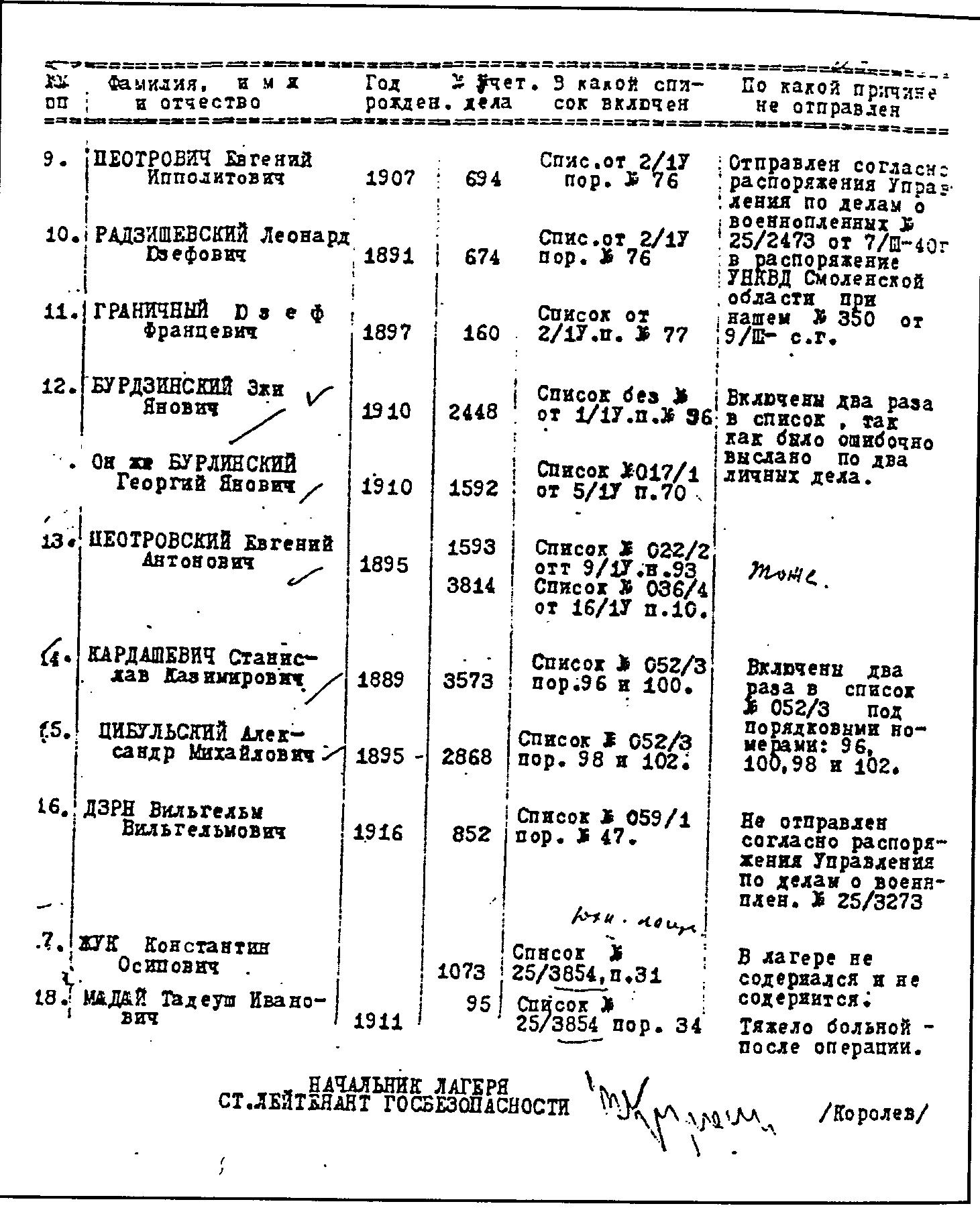
Списки военнопленных Козельского лагеря
1940 год, 14 мая Списки военнопленных Козельского лагеря, включенные в списки отправки, но не отправленные по различным причинам.
Воспроизв. по: Катынь. Пленники необъявленной войны. Документы и материалы. / Под редакцией Р.Г. Пихои, А. Хейштора.